产品简述
高压并联电容器主要用于工频(50Hz或60Hz)1千伏及以上交流电力系统中,提高功率因数,改善电网质量充分发挥发电、供电设备的效率。
电容器有BFM型、BAM型等系列其型号意义如下:

系列代号B:表示并联电容器;A:表示滤波电容器液体介质代号
液体介质代号F:表示二芳基乙烷;
A:表示苄基甲苯《适应塞冷低温地区》
固体介质代号M:表示全膜介质
设计代号R:表示放电电阻,r:表示内熔丝,H:表示集合式
第一特征号《额定电压》:表示额定电压kV
第二特征号《额定容量》:表示额定容量kvar
第三特征号《相数》1:表示单相;3:表示三相。
尾注号W:表示户外式(无尾注号表示户内式);
h:表示横放;G:表示高原型
执行标准
GB/T 11024.1-2010国家标准《标称电压1kV以上交流电力系统用并联电容器》
IEC60871-1:2005国际标准《并联电容器》
主要性能指标
a.工频交流电压:Ut(~)= 2.15Un
b.直流电压:Ut(-)=4.3Un
|
绝缘等级(kV)
|
电容器额定电压(Kv)
|
绝缘水平(Kv) |
||
|
工频试验电压,1min |
雷电冲击试验电压1.2-5/50μs、峰值
|
|||
|
一般 |
淋雨 |
|||
|
3 |
3.15 |
25 |
18 |
40 |
|
6 |
6.6,6.3 |
30 |
23 |
60 |
|
10 |
10.5,11,11 |
42 |
30 |
75 |
|
20 |
19,20 |
65 |
50 |
125 |
|
工频过电压 |
最大持续时间 |
说明 |
|
1.10Un |
每24小时中8小时 |
指长期工作电压的最高值应不超过1.10Un |
|
1.15Un |
每24小时中30分钟 |
系统电压调整与波动 |
|
1.20Un |
5分钟 |
轻负荷时电压升高 |
|
1.30Un |
1分钟 |
轻负荷时电压升高 |
注:表中的1.2Un、1.3Un及其对应的运行时间在电容器的寿命期间总共应不超过200次,其中若干次过电压可能是在电容器内部温度低于0℃,但在下限温度以内发生的。
注:内都装有放电电阻或熔丝的电容器,其损耗角正切值允许增加0.0001。
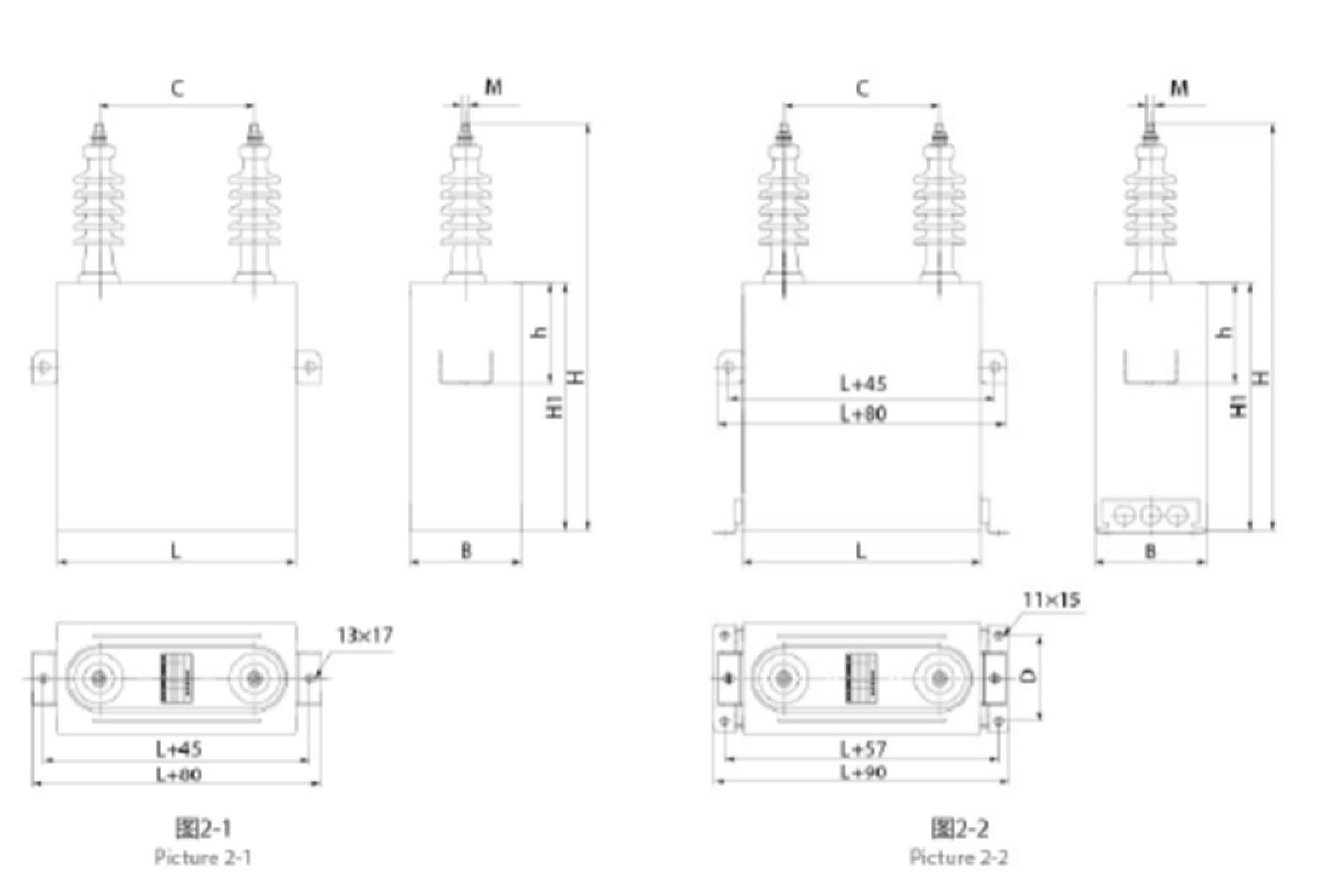
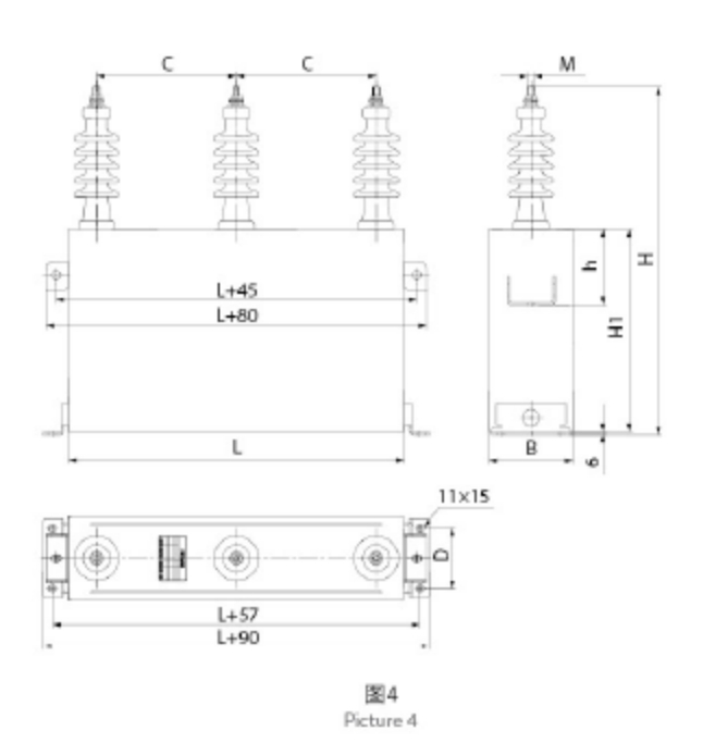
滚压套管电容器技术参数
|
序号 No. |
型号规格 |
额定电压kV |
额定容量kvar |
标称电容μF |
外型尺寸 |
图号 No. |
接线柱 |
重量kg |
||||||
|
L |
B |
h |
H1 |
H |
C |
D |
||||||||
|
1 |
BFM6.6/-50-1W |
6.6√3 |
50 |
10.96 |
320 |
110 |
134 |
320 |
575 |
220 |
85 |
2 |
M12 |
23 |
|
2 |
BFM6.6/-100-1W |
100 |
21.92 |
383 |
140 |
134 |
295 |
550 |
250 |
107 |
2 |
M12 |
30 |
|
|
3 |
BFMr6.6/-200-1W |
200 |
43.84 |
383 |
180 |
160 |
415 |
635 |
250 |
137 |
3 |
M16 |
46 |
|
|
4 |
BFMr6.6/-300-1W |
300 |
65.77 |
383 |
180 |
160 |
590 |
810 |
250 |
137 |
3 |
M16 |
62 |
|
|
5 |
BFMr6.6/-334-1W |
334 |
73.22 |
383 |
180 |
200 |
650 |
870 |
250 |
137 |
3 |
M16 |
67 |
|
|
6 |
BFMr6.6/-400-1W |
400 |
87.69 |
383 |
180 |
200 |
760 |
980 |
250 |
137 |
3 |
M16 |
77 |
|
|
7 |
BFMr6.6/-500-1W |
500 |
109.61 |
440 |
195 |
200 |
825 |
1045 |
250 |
150 |
3 |
M16 |
100 |
|
|
8 |
BFM7.2/-50-1W |
7.2/√3 |
50 |
9.21 |
320 |
110 |
134 |
305 |
560 |
220 |
85 |
2 |
M12 |
23 |
|
9 |
BFM7.2/-100-1W |
100 |
18.42 |
383 |
140 |
134 |
290 |
545 |
250 |
107 |
2 |
M12 |
29 |
|
|
10 |
BFMr7.2/-200-1W |
200 |
36.84 |
383 |
180 |
160 |
410 |
630 |
250 |
137 |
3 |
M16 |
46 |
|
|
11 |
BFMr7.2/-300-1W |
300 |
55.26 |
383 |
180 |
160 |
575 |
795 |
250 |
137 |
3 |
M16 |
60 |
|
|
12 |
BFMr7.2/-334-1W |
334 |
61.53 |
383 |
180 |
160 |
635 |
855 |
250 |
137 |
3 |
M16 |
65 |
|
|
13 |
BFMr7.2/-400-1W |
400 |
73.68 |
383 |
180 |
200 |
710 |
930 |
250 |
137 |
3 |
M16 |
72 |
|
|
14 |
BFMr7.2/-500-1W |
500 |
92.10 |
440 |
195 |
200 |
830 |
1050 |
250 |
150 |
3 |
M16 |
89 |
|
|
15 |
BFM11/-50-1W |
11/√3 |
50 |
3.95 |
320 |
110 |
134 |
280 |
535 |
250 |
85 |
2 |
M12 |
22 |
|
16 |
BFM11/-100-1W |
100 |
7.89 |
383 |
140 |
134 |
290 |
545 |
250 |
107 |
2 |
M12 |
30 |
|
|
17 |
BFM11/-200-1W |
200 |
15.78 |
383 |
140 |
160 |
510 |
810 |
250 |
107 |
3 |
M16 |
45 |
|
|
18 |
BFM11/-300-1W |
300 |
23.68 |
383 |
180 |
160 |
565 |
865 |
250 |
137 |
3 |
M16 |
59 |
|
|
19 |
BFM11/-334-1W |
334 |
26.36 |
383 |
180 |
160 |
645 |
945 |
250 |
137 |
3 |
M16 |
66 |
|
|
20 |
BFM11/-400-1W |
400 |
31.57 |
383 |
180 |
200 |
760 |
1060 |
250 |
137 |
3 |
M16 |
76 |
|
|
21 |
BFM11/-500-1W |
500 |
39.46 |
383 |
195 |
200 |
830 |
1130 |
250 |
150 |
3 |
M16 |
88 |
|
|
22 |
BFM11/-600-1W |
600 |
47.35 |
383 |
195 |
200 |
995 |
1295 |
250 |
150 |
3 |
M16 |
104 |
|
|
23 |
BFM11/-667-1W |
667 |
52.64 |
383 |
195 |
200 |
1080 |
1380 |
250 |
150 |
3 |
M16 |
112 |
|
|
24 |
BFM12/-50-1W |
12/√3 |
50 |
3.32 |
320 |
110 |
134 |
280 |
535 |
250 |
85 |
2 |
M12 |
22 |
|
25 |
BFM12/-100-1W |
100 |
6.63 |
383 |
140 |
134 |
295 |
550 |
250 |
107 |
2 |
M12 |
30 |
|
|
26 |
BFMr12/-200-1W |
200 |
13.26 |
383 |
180 |
160 |
510 |
810 |
250 |
137 |
3 |
M16 |
45 |
|
|
27 |
BFMr12/-300-1W |
300 |
19.89 |
383 |
180 |
160 |
595 |
895 |
250 |
137 |
3 |
M16 |
61 |
|
|
28 |
BFMr12/-334-1W |
334 |
22.15 |
383 |
180 |
160 |
645 |
945 |
250 |
137 |
3 |
M16 |
66 |
|
|
29 |
BFMr12/-400-1W |
400 |
26.53 |
383 |
180 |
200 |
730 |
1030 |
250 |
137 |
3 |
M16 |
73 |
|
|
30 |
BFMr12/-500-1W |
500 |
33.16 |
383 |
195 |
200 |
830 |
1130 |
250 |
150 |
3 |
M16 |
88 |
|
|
31 |
BFMr12/-600-1W |
600 |
39.79 |
383 |
195 |
200 |
980 |
1280 |
250 |
150 |
3 |
M16 |
102 |
|
|
32 |
BFMr12/-667-1W |
667 |
44.23 |
383 |
195 |
200 |
1095 |
1395 |
250 |
150 |
3 |
M16 |
113 |
|
|
33 |
BFM11-100-1W |
11 |
100 |
2.63 |
383 |
140 |
134 |
295 |
595 |
250 |
- |
1 |
M16 |
29 |
|
34 |
BFM11-150-1W |
150 |
3.95 |
383 |
140 |
160 |
435 |
735 |
250 |
- |
1 |
M16 |
40 |
|
|
35 |
BFM11-200-1W |
200 |
5.26 |
383 |
140 |
160 |
510 |
810 |
250 |
- |
1 |
M16 |
46 |
|
|
36 |
BFM11-300-1W |
300 |
7.89 |
383 |
180 |
160 |
590 |
890 |
250 |
- |
2 |
M16 |
64 |
|
|
37 |
BFM11-334-1W |
334 |
8.79 |
383 |
180 |
160 |
645 |
945 |
250 |
- |
2 |
M16 |
69 |
|
|
38 |
BFM11-400-1W |
400 |
10.52 |
383 |
180 |
200 |
760 |
1060 |
250 |
- |
2 |
M16 |
80 |
|
|
39 |
BFM11-500-1W |
500 |
13.15 |
383 |
195 |
200 |
865 |
1165 |
250 |
- |
3 |
M16 |
96 |
|
|
序号 No. |
型号规格 |
额定电压kV |
额定容量kvar |
标称电容μF |
外型尺寸 |
图号 No. |
接线柱 |
重量kg |
||||||
|
L |
B |
h |
H1 |
H |
C |
D |
||||||||
|
40 |
BFM11-600-1W |
11 |
600 |
15.78 |
383 |
195 |
200 |
1030 |
1330 |
250 |
- |
3 |
M16 |
112 |
|
41 |
BFM11-667-1W |
667 |
17.55 |
383 |
195 |
200 |
1130 |
1430 |
250 |
- |
3 |
M16 |
122 |
|
|
42 |
BFM12-100-1W |
12 |
100 |
2.21 |
383 |
140 |
134 |
295 |
595 |
250 |
- |
1 |
M16 |
29 |
|
43 |
BFM12-150-1W |
150 |
3.32 |
383 |
140 |
160 |
435 |
735 |
250 |
- |
1 |
M16 |
40 |
|
|
44 |
BFM12-200-1W |
200 |
4.42 |
383 |
140 |
160 |
510 |
810 |
250 |
- |
1 |
M16 |
46 |
|
|
45 |
BFM12-300-1W |
300 |
6.63 |
383 |
180 |
160 |
590 |
890 |
250 |
- |
2 |
M16 |
64 |
|
|
46 |
BFM12-334-1W |
334 |
7.38 |
383 |
180 |
160 |
645 |
945 |
250 |
- |
2 |
M16 |
69 |
|
|
47 |
BFM12-400-1W |
400 |
8.84 |
383 |
180 |
200 |
760 |
1060 |
250 |
- |
2 |
M16 |
80 |
|
|
48 |
BFM12-500-1W |
500 |
11.05 |
383 |
195 |
200 |
865 |
1165 |
250 |
- |
3 |
M16 |
96 |
|
|
49 |
BFM12-600-1W |
600 |
13.26 |
383 |
195 |
200 |
1030 |
1330 |
250 |
- |
3 |
M16 |
112 |
|
|
50 |
BFM12-667-1W |
667 |
14.74 |
383 |
195 |
200 |
1130 |
1430 |
250 |
- |
3 |
M16 |
122 |
|
|
51 |
BFM6.6-200-3W |
6.6 |
200 |
14.61 |
600 |
150 |
134 |
360 |
621 |
250 |
107 |
4 |
M12 |
54 |
|
52 |
BFM6.6-300-3W |
300 |
21.92 |
600 |
170 |
160 |
430 |
691 |
250 |
117 |
4 |
M12 |
69 |
|
|
53 |
BFM6.6-400-3W |
400 |
29.23 |
645 |
195 |
160 |
430 |
691 |
250 |
250 |
4 |
M12 |
83 |
|
|
54 |
BFM7.2-200-3W |
7.2 |
200 |
12.28 |
600 |
150 |
134 |
360 |
621 |
250 |
107 |
4 |
M12 |
54 |
|
55 |
BFM7.2-300-3W |
300 |
18.42 |
600 |
170 |
160 |
430 |
691 |
250 |
117 |
4 |
M12 |
69 |
|
|
56 |
BFM7.2-400-3W |
400 |
24.56 |
645 |
195 |
160 |
430 |
691 |
250 |
150 |
4 |
M12 |
83 |
|
|
57 |
BFM11-100-3W |
11 |
100 |
2.63 |
600 |
170 |
110 |
220 |
481 |
250 |
117 |
4 |
M12 |
38 |
|
58 |
BFM11-200-3W |
200 |
5.26 |
600 |
150 |
134 |
360 |
621 |
250 |
107 |
4 |
M12 |
54 |
|
|
59 |
BFM11-300-3W |
300 |
7.89 |
600 |
170 |
160 |
430 |
691 |
250 |
117 |
4 |
M12 |
69 |
|
|
60 |
BFM11-400-3W |
400 |
10.52 |
645 |
195 |
160 |
430 |
691 |
250 |
150 |
4 |
M12 |
83 |
|
|
61 |
BFM11-500-3W |
500 |
13.15 |
725 |
195 |
160 |
490 |
751 |
250 |
150 |
4 |
M12 |
104 |
|
|
62 |
BFM12-100-3W |
12 |
100 |
2.21 |
600 |
170 |
110 |
220 |
481 |
250 |
117 |
4 |
M12 |
38 |
|
63 |
BFM12-200-3W |
200 |
4.42 |
600 |
150 |
134 |
360 |
621 |
250 |
107 |
4 |
M12 |
54 |
|
|
64 |
BFM12-300-3W |
300 |
6.63 |
600 |
170 |
160 |
430 |
691 |
250 |
117 |
4 |
M12 |
69 |
|
|
65 |
BFM12-400-3W |
400 |
8.84 |
645 |
195 |
160 |
430 |
691 |
250 |
150 |
4 |
M12 |
83 |
|
|
66 |
BFM12-500-3W |
500 |
11.05 |
725 |
195 |
160 |
490 |
751 |
250 |
150 |
4 |
M12 |
104 |
|
注:因产品工艺及设计不断更新,样本数据未能包含所有产品信息,产品参数以合同附件为准。
滚压 套管电容外型图




Copyright © 2024 江苏普菲克电能科技有限公司 版权所有 XML地图
地址:镇江市新区姚娇镇瑞江路62号